PTM Butcher XL Matrix – Fleischtheke mit Unterbaukühlung
Die PTM Butcher XL Matrix ist eine professionelle
Fleischtheke mit integrierter Unterbaukühlung für den dauerhaften
Einsatz in Metzgereien, Feinkostgeschäften und im
Lebensmitteleinzelhandel.
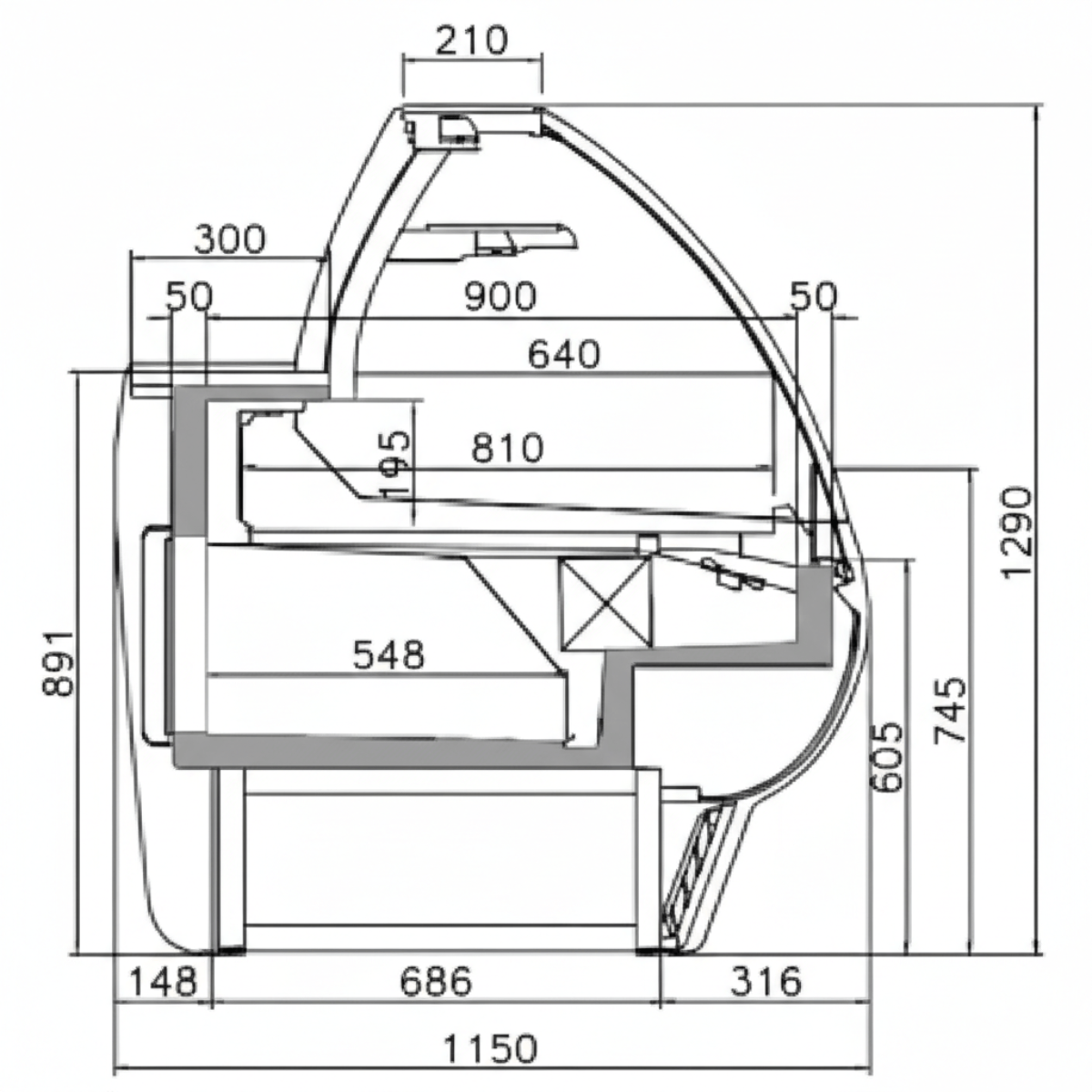
Die gebogene Frontverglasung aus gehärtetem Sicherheitsglas ist
aufklappbar ausgeführt (hinged front glass) und ermöglicht einen
komfortablen Zugang zum Innenraum für Service- und
Reinigungsarbeiten. Die Konstruktion ist auf den intensiven
Verkaufsalltag ausgelegt und kombiniert zuverlässige Kühltechnik
mit einer stabilen, langlebigen Bauweise.
Professionelle Fleischtheke für den täglichen Verkaufsbetrieb
Der Innenraum der PTM Butcher XL Matrix besteht vollständig aus
Edelstahl AISI 304 und erfüllt höchste hygienische Anforderungen.
Die ventilierte Umluftkühlung sorgt für eine gleichmäßige
Temperaturverteilung über die gesamte Auslagefläche und unterstützt
eine optimale Warenpräsentation.
Highlights der PTM Butcher XL Matrix
- Fleischtheke mit integrierter Unterbaukühlung
- Aufklappbare Frontverglasung mit Scharniermechanismus
- Gebogene Frontscheibe aus gehärtetem Sicherheitsglas
- Innenraum komplett aus Edelstahl AISI 304 (INOX)
- Ventilierte Umluftkühlung für konstante Temperaturen
- Digitale Steuerung und automatische Abtauung
- Steckerfertige Plug-in-Ausführung
Ausstattung & Optionen
- Rückseitige Plexiglas-Schiebetüren in stabilem Führungsrahmen
- Nachtabdeckung zur Energieeinsparung (optional)
- Seitliche Glasseitenteile links, rechts oder beidseitig wählbar
Einsatzbereiche
- Metzgereien
- Feinkostgeschäfte
- Supermärkte
- Direktvermarktung
Technische Daten
- Temperaturbereich: 0 °C bis +6 °C
- Kältemittel: R290
- Klimaklasse: 4 / 30 °C
- Kühlung: Ventiliert
- Abtauung: Automatisch
- Innenraum: Edelstahl AISI 304
- Gesamttiefe: ca. 1290 mm
- Höhe: ca. 1220 mm
Die PTM Butcher XL Matrix ist in verschiedenen Längen erhältlich
und eignet sich ideal für professionelle Verkaufsflächen mit hohen
Ansprüchen an Hygiene, Zuverlässigkeit und Warenpräsentation.
Kühltheke in Ihrer Wunschfarbe auf Anfrage.





0201 433 992 13
